Steering Column Electronic Systems Control Module J527, Connector Assignment

Need a step-by-step guide?

Get an AI-powered repair guide with parts lists, cost estimates, and clear instructions for your 2006 Audi.

AI Repair Guides


Steering Column Electronic Systems Control Module J527 , Connector Assignment

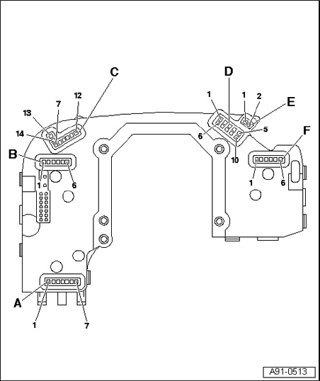
Front side







A - Cruise control connector

1. Terminal 31
2. Fix
3. Distance
4. Terminal 30
5. Activation/touch control function (Off)
6. Acceleration/deceleration
7. Engaged (Off)

B - Turn signal indicator connector

1. Terminal 31
2. Radio telephone (special-purpose vehicles)
3. Alarm (special-purpose vehicles)
5. Headlight flasher/light control
6. Turn signal indicators

C - Harness connector of multi-function steering wheel/Tiptronic/heated steering wheel

7. Touch (-)
8. Multi-function steering wheel (terminal 30)
9. Multi-function steering wheel (LIN data bus)
10. Sensor heating/touch (+)
11. Multi-function steering wheel/dimmer
12. Tiptronic Ground
13. Steering wheel heating (+)
14. Steering wheel heating (-)

D - Steering Angle Sensor G85

1. Light barrier 5
2. Light barrier 3
3. Light barrier 1
4. Terminal 30
5. Voltage supply (5 V)
6. Light barrier 6
7. Light barrier 4
8. Light barrier 2
9. Terminal 31
10. Light barrier 7

E - Horn H1

1. Terminal 31
2. Horn

F - Wiper system

1. Terminal 31
2. Intermittent wipe potentiometer
3. Board computer
5. Wash
6. Wipe

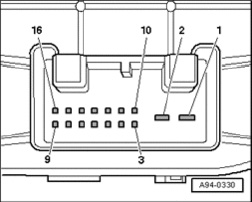
Rear side







16-pin multi-pin connector (T16a)

1. Terminal 31
2. Terminal 30
5. Cruise control switched "Off"
6. Alarm (special-purpose vehicles)
7. Radio telephone (special-purpose vehicles)
8. CAN-Bus Low (Comfort)
9. CAN-Bus High (Comfort)
10. CAN-Bus High (powertrain)
11. CAN-Bus Low (powertrain)
12. Ignition terminal lock 75
13. Ignition lock S terminal
14. Ignition terminal lock 15
15. Ignition terminal lock 50
16. Ignition lock terminal P