Ground Distribution Schematics

Need a step-by-step guide?

Get an AI-powered repair guide with parts lists, cost estimates, and clear instructions for your 1999 Acura.

AI Repair Guides

Ground Distribution Schematics:




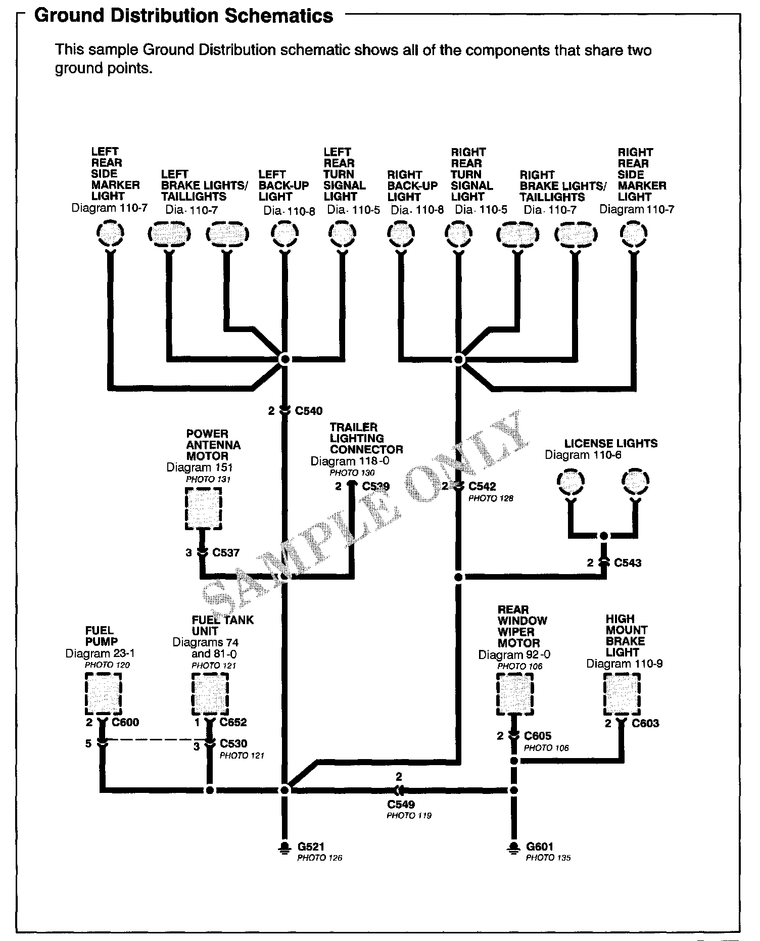
This sample Ground Distribution schematic shows all of the components that share two ground points.