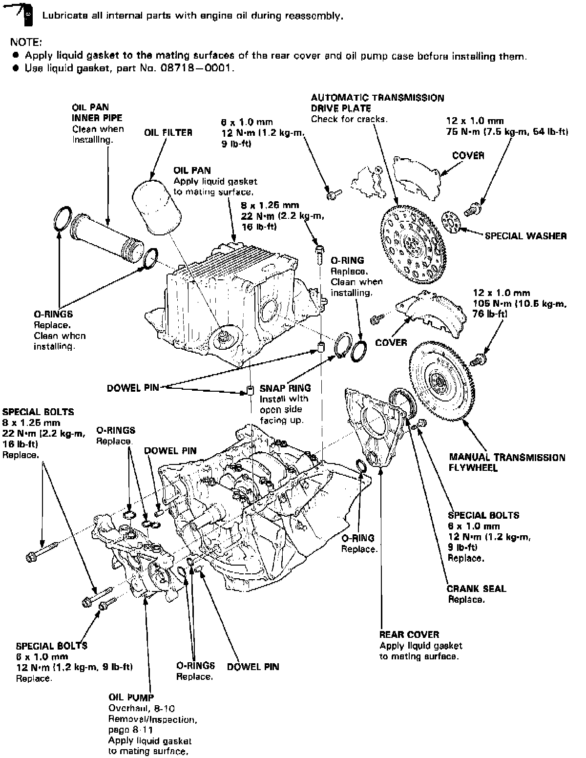
Torque Specifications

Need a step-by-step guide?

Get an AI-powered repair guide with parts lists, cost estimates, and clear instructions for your 1991 Acura.

AI Repair Guides

Timing Components:






Lower Engine:
















Main Torque Sequence:







Engine Lubrication:






Flywheel (M/T) Torque:






Drive Plate (A/T) Torque: